
De-Superheating Systems
The heart of the de-superheating system is the correctly sized spray nozzles, designed to achieve a high degree of atomization even at low differential pressures.
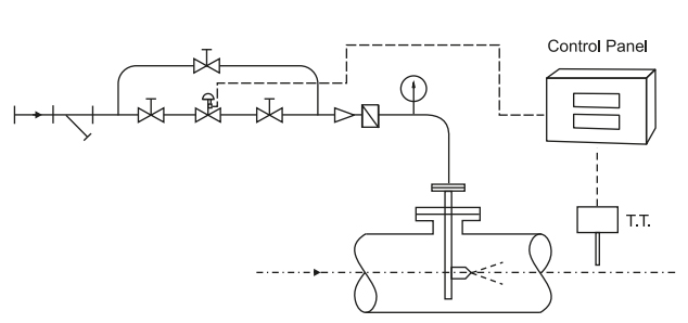
Isolating valves, by-pass valves, strainers, non-return valves and inter connected piping are provided to make the system ready for installation at site.
